売土地 高崎市八千代町2丁目 約71坪
八千代町 利便性の良い地域,約71坪の売土地です♪(上物有り)
区画整理された、利便性の良いエリアの売土地です!■車で約3分の圏内に内科医や歯科医、眼科等の多くの医療施設がございますので、急な体調不良の際も安心の住環境です♪■マツモトキヨシまで徒歩約1分、ジョイフーズやとりせん,しまむらまで車で3分圏内等、日々の生活を支える商業施設が多数ございます!■バス停「高崎高校前」「山田かまち美術館入口」までそれぞれ徒歩約3分です
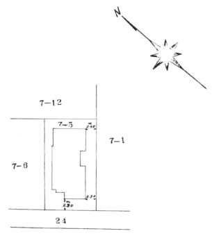
| 価格 | 1,790万円 | 所在地 | 高崎市八千代町2丁目7-5 | ||||
|---|---|---|---|---|---|---|---|
| 坪単価 | 約25.19万円/坪 | 物件種別 | 土地 | 間取り | - | ||
| 権利 | 所有権 | 土地面積 | (公簿面積)234.91㎡ | 建ぺい率/容積率 | 60%/200% | ||
| 接道 | 南西側 4.0m公道 | 建物面積 | (公簿面積)108.34㎡ | 私道負担 | 無し | ||
| セットバック | 不要 | 交通 | 湘南新宿ライン「高崎駅」まで約2.4km | 学校区 | 乗附小学校(約1.4km)・片岡中学校(約500m) | ||
| 取引 | 一般媒介 | 都市計画 | 市街化区域 | 用途地域 | 1種住居 | ||
| 地目 | 宅地 | 地勢 | 平坦 | 現状 | 建物有 | ||
| 引渡条件 | 上物有(現況引渡し) | 国土法 | - | 引渡し | 相談 | ||

設備・備考
| 設備 | 電気, 都市ガス, プロパンガス, 上水道, 下水道 | ||||
|---|---|---|---|---|---|
| 備考 | 既存建物がございますが、現況有でのお引渡しとなります(解体費用が買主様負担となります)■売主の契約不適合責任は、免責にてお願い致します■上水道敷地内引込済み(メーター20mm)■公共下水道区域内(敷地内最終桝有り)■都市ガス区域内■文化財包蔵地区外■測量及び境界確定は、売主負担にて実施予定です■建築条件無し | ||||
地図・周辺環境
*印は必須

























